Envoyez-nous un email

sdepochwater@hotmail.com

Nouvelles

La structure et le principe de travail de la valve papillon

Rotation à 90 degrés, maîtrise du contrôle des débits sans effort -Vannes de papillon: Optimisation de l'efficacité et du coût des opérations de pipeline à grand diamètre!

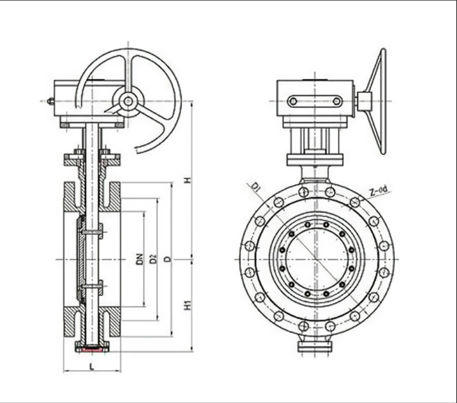
1.Auvet de la vue:

  Une valve papillonest une valve structurellement simple et à opération rapide principalement utilisée pour contrôler l'écoulement des fluides (comme l'eau, le gaz ou les suspensions) dans les pipelines. Sa fonction centrale est d'ouvrir, de fermer ou de réguler le passage d'écoulement en tournant un disque (disque papillon) dans le tuyau.

2. COMPOSANTS CLÉS - CORPS ET DISC DE VALVE:

   Le corps principal de la valve papillon est le corps de la valve, un boîtier cylindrique court relié au pipeline aux deux extrémités, formant le passage fluide. Positionné centralement dans le passage du corps de la valve est le composant central - le disque. Il s'agit d'une structure en forme de disque dont la conception (concentrique ou excentrique) et le matériau ont un impact significatif sur les performances de la vanne.

3. Composants clés - tige et actionnement:

   Une tige passe à travers le centre ou un point excentrique du disque et s'étend à l'extérieur du corps de la valve. Cet arbre est responsable de la transmission de la force de rotation (couple) générée par le mécanisme de fonctionnement externe (comme un levier, un volant ou un actionneur automatique) au disque, ce qui entraîne sa rotation.

4. Composants clés - scellage (siège et phoques):

   Pour obtenir un scellement lorsqu'il est fermé, un siège annulaire est installé sur la paroi intérieure du corps de soupape (ou sur le bord du disque dans des conceptions à triple décalage). Lorsque le disque se ferme, son bord presse étroitement contre ce siège. Les matériaux des sièges peuvent être des élastomères (siège doux, par exemple, en caoutchouc, PTFE, offrant un bon scellement) ou en métal (siège dur, résistant à une température et une pression élevées). De plus, les joints (tels que l'emballage ou les joints toriques) sont situés où la tige sort du corps de la soupape, empêchant les fuites des supports le long de la tige.

5. Principe de travail - Processus d'ouverture:

   Lorsque la valve doit être ouverte, le mécanisme de fonctionnement (manuel ou automatique) fait pivoter la tige. La tige fait tourner le disque autour de son axe, se déplaçant d'une position perpendiculaire à l'axe du pipeline (90 degrés, état fermé) vers une position parallèle à elle (0 degrés). Au fur et à mesure que le disque tourne, son obstruction au fluide diminue, le passage d'écoulement s'ouvre progressivement et le fluide s'écoule doucement. L'angle de rotation permet un contrôle précis du débit.

6. Principe de travail - Processus de clôture:

   Lorsque la valve doit être fermée, le mécanisme de fonctionnement tourne la tige dans la direction opposée. Le disque commence à tourner de sa position parallèle au pipeline, bloquant progressivement le chemin d'écoulement. En faisant tourner environ 90 degrés pour atteindre la position perpendiculaire, le bord du disque appuie fermement contre le siège. Grâce à cette compression (en s'appuyant sur une déformation élastique pour les sièges mous ou un contact conique précis pour les sièges durs), une bague d'étanchéité complète est formée entre le bord du disque et le siège, bloquant complètement le flux de fluide.

7. Avantages exposés:

   Les principaux avantages des vannes papillon se trouvent dans leur structure compacte, leur poids léger et leurs dimensions en face à face courtes (espace de sauvegarde), leur fonctionnement simple et rapide (ne nécessitant généralement qu'une rotation à 90 degrés pour les avantages des coûts ouverts / fermés) (en particulier lorsqu'ils sont complètement ouverts), un couple à faible fonctionnement et des avantages coûts significatifs dans les pipelines à grande diamètre.

8. Inconvénients et considérations exposées:

   Les inconvénients des soupapes de papillon comprennent que leur capacité de pression d'étanchéité soit généralement inférieure à celle des soupapes de porte ou de globe (en particulier les types à assemblé moelleux), le disque toujours présent dans le chemin d'écoulement provoquant une certaine perte de pression, étant moins approprié pour les applications sévères d'étranglement (ce qui peut provoquer des vibrations ou une érosion), et la sensibilité des matériaux de séance mous pour les températures extrêmes.

9. Applications typiques:

   Tirant parti de ces avantages, les vannes de papillon sont largement appliquées dans des scénarios de diamètre moyen à large exigeant un fonctionnement rapide, des contraintes d'espace ou une sensibilité au coût. Les applications courantes comprennent: les systèmes d'approvisionnement en eau et de drainage (eau potable, les eaux usées), les systèmes de CVC (chauffage, ventilation et climatisation), systèmes de protection contre les incendies, eau de refroidissement dans l'industrie de l'électricité, industrie pétrochimique (pour la basse pression, les médias à température ambiante), les industries alimentaires et pharmaceutiques (valvées de qualité sanitaire) et le traitement de la suite.

   Shandong Epoch Equipment CO., Ltd. est un fabricant professionnel à grande échelle dans la province de Shandong en Chine, adhère à l'orientation de la science et de la technologie, de la protection de l'environnement, de la qualité et de l'efficacité. À l'heure actuelle, il est devenu une entreprise transrégionale et multi-industrielle intégrant des industries aussi larges telles que la conception, le développement, la production et l'exportation. Visitez notre site Web àhttps://www.epochpipeline.com/pour en savoir plus sur nos produits. Pour des demandes de renseignements, vous pouvez nous joindre à sdepochwater@hotmail.com.

Actualités connexes
Laissez-moi un message
X
Nous utilisons des cookies pour vous offrir une meilleure expérience de navigation, analyser le trafic du site et personnaliser le contenu. En utilisant ce site, vous acceptez notre utilisation des cookies. politique de confidentialité
Rejeter Accepter