Envoyez-nous un email

sdepochwater@hotmail.com

Produits
Compteur d'eau d'irrigation
  • Compteur d'eau d'irrigationCompteur d'eau d'irrigation
  • Compteur d'eau d'irrigationCompteur d'eau d'irrigation

Compteur d'eau d'irrigation

Utilisation : Instrument de mesure du débit pour mesurer le volume total d'eau circulant dans la canalisation.

Conditions fournies :

▶Taille : DN50 ~ DN600

▶Matériau : coque en fonte

▶ Catégorie de température : T30, T50, T90

▶Classe de pression : MAP16, MAP10

▶Perte de pression :△P63


Méthode d'installation :

1.Installation horizontale.

2. Un filtre à eau supplémentaire est requis.

3. L'entrée/sortie d'eau du compteur d'eau nécessite une section de tuyau droite U10/D5.


Caractéristiques:

1. Petite résistance à la transmission, grande capacité de débit, anti-blocage et forte capacité anti-pollution.

2. rotor horizontal, entraînement par couplage sec et magnétique.

3. Le compteur adopte le scellage sous vide, l'anti-condensation et l'atomisation, et peut garder la lecture claire pendant une longue période.

4. La structure amovible est adoptée pour une installation et un entretien faciles

5. Le mécanisme de mesure a une forte universalité.

6. Selon les besoins des clients, un dispositif de transmission et de transmission à distance (transmission à double roseau/hall) peut être fourni.


Paramètre technique :

DN (mm) Couler gamme Qualité de dosage Maximum flux T4 Commun débit Q3 Débit limite Q2 Minimum débit Q1 Minimum en lisant Maximum en lisant
T3/T1 m3/heure
LXXG-50 2" R20 (R25) 25 31.25 5 1.25 0.002 999, 999
LXXG-65 2/2" 40 50 8 2 0.002 999, 999
LXXG-80 3" 63 78.75 12.6 3.15 0.002 999, 999
LXXG-100 4" 100 125 20 5 0.002 999, 999
LXXG-125 5" 160 200 32 8 0.002 999, 999
LXXG-150 6" 250 312.5 50 12.5 0.002 999, 999
LXXG-200 8" 400 500 80 20 0.002 999, 999
LXXG-250 10" 630 787.5 126 31.5 0.02 9, 999, 999

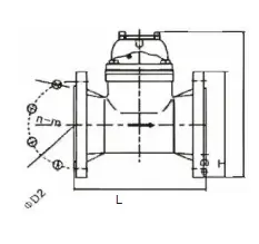
Dimension hors tout et poids :

Modèle DN Longueur Hauteur Bride de raccordement
mm Bride extérieure diamètre φD1 Nombre de boulons de connexion D2 Nombre de boulons de connexion
LXXG-50 2" 200 253 165 125 4*M16
LXXG-65 2V2" 200 268 185 145 4*M16
LXXG-80 3" 225 284 200 160 8*M16
LXXG-100 4" 250 295 220 180 8*M16
LXXG-125 5" 250 310 250 210 8*M16
LXXG-150 6" 300 339 285 240 8*M20
LXXG-200 8" 350 382 340 295 8*M20(1,0MPa) 12*M20(1,0MPa)
LXXG-250 10" 450 438 395 405
12 * M20 (1,0 MPa) 12 * M24 (1,0 MPa)

A. L'erreur maximale admissible d'une zone basse (Q1≤Q

B. Lorsque la température de l'eau est ≤ 30 ℃, l'erreur maximale autorisée dans la zone élevée (Q2 ≤ Q ≤ Q4) est de ± 2 %. Lorsque la température de l'eau est > 30 ℃, l'erreur maximale autorisée dans la zone élevée (Q2 ≤ Q ≤ Q4) est de ± 3 %.






Balises actives: Compteur d'eau d'irrigation
envoyer une demande
Informations de contact
Prêt à faire passer votre projet de système d'eau au niveau supérieur? Envoyez une demande à Shandong Epoch Equipment Co., Ltd. et recevez une réponse personnalisée de notre équipe. Nous sommes là pour répondre à tous vos besoins en système d'eau. Laissez-nous être votre partenaire de confiance.
X
Nous utilisons des cookies pour vous offrir une meilleure expérience de navigation, analyser le trafic du site et personnaliser le contenu. En utilisant ce site, vous acceptez notre utilisation des cookies. politique de confidentialité
Rejeter Accepter